|
PRIME ENGINEERS
|
|
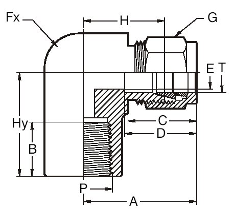
FEMALE ELBOW |
|
Imperial Tubing EF |
|||||||||||
|
PART NO. |
‘T’ TUBE OD |
NPT P |
A |
B |
C |
D |
E MIN |
F A/F |
G A/F |
Hx BODY |
H BODY |
|
EF22 |
1/8” |
1/8” |
0.97 |
0.39 |
0.60 |
0.50 |
0.09 |
9/16” |
7/16” |
0.75 |
0.71 |
|
EF24 |
1/8” |
1/4” |
1.08 |
0.59 |
0.60 |
0.50 |
0.09 |
3/4” |
7/16” |
0.88 |
0.82 |
|
EF42 |
1/4” |
1/8” |
1.06 |
0.39 |
0.70 |
0.60 |
0.19 |
9/16” |
9/16” |
0.75 |
0.77 |
|
EF44 |
1/4” |
1/4” |
1.17 |
0.59 |
0.70 |
0.60 |
0.19 |
3/4” |
9/16” |
0.88 |
0.88 |
|
EF46 |
1/4’ |
3/8” |
1.25 |
0.59 |
0.70 |
0.60 |
0.19 |
7/8” |
9/16” |
0.88 |
0.96 |
|
EF48 |
1/4” |
1/2” |
1.36 |
0.78 |
0.70 |
0.60 |
0.19 |
1-1/16” |
9/16” |
1.12 |
1.07 |
|
EF54 |
5/16” |
1/4” |
1.20 |
0.59 |
0.73 |
0.64 |
0.25 |
3/4” |
5/8” |
0.88 |
0.91 |
|
EF64 |
3/8” |
1/4” |
1.23 |
0.59 |
0.76 |
0.66 |
0.28 |
3/4” |
11/16” |
0.88 |
0.94 |
|
EF66 |
3/8” |
3/8” |
1.31 |
0.59 |
0.76 |
0.66 |
0.28 |
7/8” |
11/16” |
0.88 |
1.02 |
|
EF68 |
3/8’ |
1/2” |
1.42 |
0.78 |
0.76 |
0.66 |
0.28 |
1-1/16” |
11/16” |
1.12 |
1.13 |
|
EF84 |
1/2” |
1/4’ |
1.42 |
0.59 |
0.86 |
0.90 |
0.41 |
13/16” |
7/8” |
0.88 |
1.02 |
|
EF86 |
1/2’ |
3/8” |
1.42 |
0.59 |
0.86 |
0.90 |
0.41 |
7/8” |
7/8” |
0.88 |
1.02 |
|
EF88 |
1/2” |
1/2” |
1.53 |
0.78 |
0.86 |
0.90 |
0.41 |
1-1/16” |
7/8” |
1.12 |
1.13 |
|
EF108 |
5/8” |
1/2” |
1.57 |
0.78 |
0.86 |
0.60 |
0.50 |
1-1/16” |
1” |
1.12 |
1.17 |
|
EF128 |
3/4” |
1/2” |
1.57 |
0.78 |
0.86 |
0.96 |
0.62 |
1-1/16” |
1-1/8” |
1.12 |
1.17 |
|
EF1212 |
3/4” |
3/4” |
1.76 |
0.81 |
0.86 |
0.96 |
0.62 |
1-1/4” |
1-1/8” |
1.25 |
1.36 |
|
Imperial Tubing EFm |
|||||||||||
|
PART NO. |
‘T’ TUBE OD |
NPT P |
A |
B |
C |
D |
E MIN |
F A/F |
G A/F |
Hx BODY |
H BODY |
|
EFm32 |
3 |
1/8” |
24.6 |
9.7 |
15.3 |
12.9 |
2.4 |
14.0 |
11.0 |
19.0 |
18.0 |
|
EFm34 |
3 |
1/4” |
27.0 |
14.2 |
15.3 |
12.9 |
2.4 |
19.0 |
11.0 |
22.4 |
20.8 |
|
EFm62 |
6 |
1/8” |
27.0 |
9.7 |
17.7 |
15.3 |
4.8 |
14.0 |
14.0 |
19.0 |
19.6 |
|
EFm64 |
6 |
1/4” |
29.8 |
14.2 |
17.7 |
15.3 |
4.8 |
19.0 |
14.0 |
22.4 |
22.4 |
|
EFm66 |
6 |
3/8” |
31.7 |
14.2 |
17.7 |
15.3 |
4.8 |
22.0 |
14.0 |
22.4 |
24.4 |
|
EFm68 |
6 |
1/2” |
34.6 |
19.0 |
17.7 |
15.3 |
4.8 |
27.0 |
14.0 |
28.4 |
27.2 |
|
EFm84 |
8 |
1/4” |
30.6 |
14.2 |
18.6 |
16.2 |
6.3 |
19.0 |
16.0 |
22.4 |
23.1 |
|
EFm104 |
10 |
1/4’ |
33.5 |
14.2 |
19.5 |
17.2 |
7.1 |
19.0 |
19.0 |
22.4 |
25.9 |
|
EFm124 |
12 |
1/4’ |
36.0 |
14.2 |
22.0 |
22.8 |
9.5 |
20.5 |
22.0 |
22.4 |
25.9 |
|
EFm126 |
12 |
3/8” |
36.0 |
14.2 |
22.0 |
22.8 |
9.5 |
22.0 |
22.0 |
22.4 |
25.9 |
|
EFm128 |
12 |
1/2” |
38.8 |
19.0 |
22.0 |
22.8 |
9.5 |
27.0 |
22.0 |
28.4 |
28.7 |
|
EFm1612 |
16 |
1/2” |
39.5 |
19.0 |
22.0 |
24.4 |
12.7 |
27.0 |
25.0 |
28.4 |
29.7 |