|
PRIME ENGINEERS
|
|
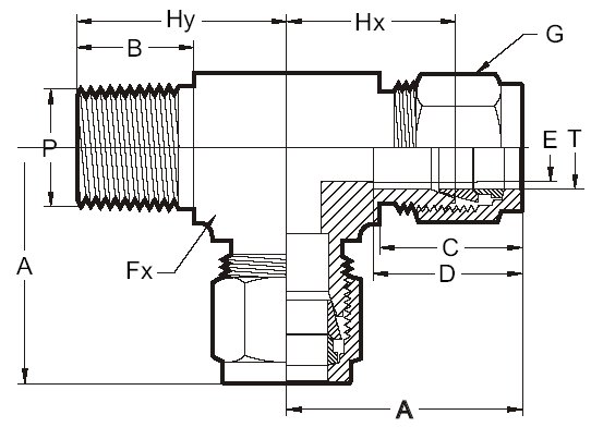
MALE BRANCH TEE |
|
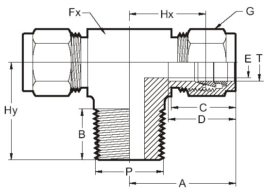
MALE RUN TEE |
|
Imperial Tubing TMT |
|||||||||||
|
PART NO. |
‘T’ TUBE OD |
NPT P |
A |
B |
C |
D |
E MIN |
F A/F |
G A/F |
Hy BODY |
H BODY |
|
TMT22 |
1/8” |
1/8” |
0.93 |
0.38 |
0.60 |
0.50 |
0.09 |
1/2” |
7/16” |
0.70 |
0.67 |
|
TMT24 |
1/8” |
1/4” |
0.97 |
0.56 |
0.60 |
0.50 |
0.09 |
9/16” |
7/16” |
0.92 |
0.71 |
|
TMT42 |
1/4” |
1/8” |
1.06 |
0.38 |
0.70 |
0.60 |
0.19 |
1/2” |
9/16” |
0.74 |
0.77 |
|
TMT44 |
1/4” |
1/4” |
1.06 |
0.56 |
0.70 |
0.60 |
0.19 |
9/16” |
9/16” |
0.92 |
0.77 |
|
TMT54 |
5/16” |
1/4” |
1.17 |
0.56 |
0.73 |
0.64 |
0.25 |
9/16” |
5/8” |
0.92 |
0.88 |
|
TMT64 |
3/8” |
1/4” |
1.20 |
0.56 |
0.76 |
0.66 |
0.28 |
9/16” |
11/16” |
1.00 |
0.91 |
|
TMT66 |
3/8’ |
3/8” |
1.31 |
0.56 |
0.76 |
0.66 |
0.28 |
11/16” |
11/16” |
1.11 |
1.02 |
|
TMT86 |
1/2” |
3/8” |
1.42 |
0.56 |
0.86 |
0.90 |
0.38 |
13/16” |
7/8” |
1.11 |
1.02 |
|
TMT88 |
1/2” |
1/2” |
1.42 |
0.75 |
0.86 |
0.90 |
0.41 |
7/8” |
7/8” |
1.30 |
1.02 |
|
TMT108 |
5/8” |
1/2” |
1.53 |
0.75 |
0.86 |
0.96 |
0.47 |
15/16” |
1” |
1.41 |
1.13 |
|
TMT1212 |
3/4” |
3/4” |
1.57 |
0.75 |
0.86 |
0.96 |
0.62 |
1-1/16” |
1-1/8” |
1.45 |
1.17 |
|
Metric Tubing TMTm |
|||||||||||
|
PART NO. |
‘T’ TUBE OD |
NPT P |
A |
B |
C |
D |
E MIN |
F A/F |
G A/F |
Hy BODY |
H BODY |
|
TMTm32 |
3 |
1/8” |
23.6 |
9.7 |
15.3 |
12.9 |
2.4 |
12.7 |
11.0 |
17.8 |
17.0 |
|
TMTm34 |
3 |
1/4’ |
24.6 |
14.2 |
15.3 |
12.9 |
2.4 |
14.0 |
11.0 |
23.4 |
18.0 |
|
TMTm62 |
6 |
1/8” |
26.9 |
9.7 |
17.7 |
15.3 |
4.8 |
12.7 |
14.0 |
18.8 |
19.6 |
|
TMTm64 |
6 |
1/4” |
26.9 |
14.2 |
17.7 |
15.3 |
4.8 |
14.0 |
14.0 |
23.4 |
19.6 |
|
TMTm82 |
8 |
1/8” |
29.8 |
9.7 |
18.6 |
16.2 |
4.8 |
14.0 |
16.0 |
19.0 |
22.4 |
|
TMTm84 |
8 |
1/4” |
29.8 |
14.2 |
18.6 |
16.2 |
6.3 |
14.0 |
16.0 |
23.4 |
22.4 |
|
TMTm104 |
10 |
1/4” |
33.5 |
14.2 |
19.5 |
17.2 |
7.1 |
17.0 |
19.0 |
28.2 |
25.9 |
|
TMTm106 |
10 |
3/8” |
33.5 |
14.2 |
19.5 |
17.2 |
7.9 |
17.0 |
19.0 |
28.2 |
25.9 |
|
TMTm126 |
12 |
3/8’ |
36.0 |
14.2 |
22.0 |
22.8 |
9.5 |
20.5 |
22.0 |
28.2 |
25.9 |
|
TMTm128 |
12 |
1/2” |
36.0 |
19.0 |
22.0 |
22.8 |
9.5 |
22.0 |
22.0 |
33.0 |
25.9 |
|
TMTm168 |
16 |
1/2” |
38.8 |
19.0 |
22.0 |
24.4 |
12.7 |
24.0 |
25.0 |
35.8 |
28.7 |
|
Imperial Tubing TTM |
|||||||||||
|
PART NO. |
‘T’ TUBE OD |
NPT P |
A |
B |
C |
D |
E MIN |
F A/F |
G A/F |
Hy BODY |
H BODY |
|
TTM22 |
1/8” |
1/8” |
0.93 |
0.38 |
0.60 |
0.50 |
0.09 |
1/2” |
7/16” |
0.70 |
0.67 |
|
TTM24 |
1/8” |
1/4” |
0.97 |
0.56 |
0.60 |
0.50 |
0.09 |
9/16” |
7/16” |
0.92 |
0.71 |
|
TTM42 |
1/4” |
1/8” |
1.06 |
0.38 |
0.70 |
0.60 |
0.19 |
1/2” |
9/16” |
0.74 |
0.77 |
|
TTM44 |
1/4” |
1/4” |
1.06 |
0.56 |
0.70 |
0.60 |
0.19 |
9/16” |
9/16” |
0.92 |
0.77 |
|
TTM54 |
5/16” |
1/4” |
1.17 |
0.56 |
0.73 |
0.64 |
0.25 |
9/16” |
5/8” |
0.92 |
0.88 |
|
TTM64 |
3/8” |
1/4” |
1.20 |
0.56 |
0.76 |
0.66 |
0.28 |
9/16” |
11/16” |
1.00 |
0.91 |
|
TTM66 |
3/8’ |
3/8” |
1.31 |
0.56 |
0.76 |
0.66 |
0.28 |
11/16” |
11/16” |
1.11 |
1.02 |
|
TTM86 |
1/2” |
3/8” |
1.42 |
0.56 |
0.86 |
0.90 |
0.38 |
13/16” |
7/8” |
1.11 |
1.02 |
|
TTM88 |
1/2” |
1/2” |
1.42 |
0.75 |
0.86 |
0.90 |
0.41 |
7/8” |
7/8” |
1.30 |
1.02 |
|
TTM108 |
5/8” |
1/2” |
1.53 |
0.75 |
0.86 |
0.96 |
0.47 |
15/16” |
1” |
1.41 |
1.13 |
|
TTM1212 |
3/4” |
3/4” |
1.57 |
0.75 |
0.86 |
0.96 |
0.62 |
1-1/16” |
1-1/8” |
1.45 |
1.17 |
|
Metric Tubing TTMm |
|||||||||||
|
PART NO. |
‘T’ TUBE OD |
NPT P |
A |
B |
C |
D |
E MIN |
F A/F |
G A/F |
Hy BODY |
H BODY |
|
TTMm32 |
3 |
1/8” |
23.6 |
9.7 |
15.3 |
12.9 |
2.4 |
12.7 |
11.0 |
17.8 |
17.0 |
|
TTMm34 |
3 |
1/4” |
24.6 |
14.2 |
15.3 |
12.9 |
2.4 |
14.0 |
11.0 |
23.4 |
18.0 |
|
TTMm62 |
6 |
1/8” |
26.9 |
9.7 |
17.7 |
15.3 |
4.8 |
12.7 |
14.0 |
18.8 |
19.6 |
|
TTMm64 |
6 |
1/4” |
26.9 |
14.2 |
17.7 |
15.3 |
4.8 |
14.0 |
14.0 |
23.4 |
19.6 |
|
TTMm82 |
8 |
1/8” |
29.8 |
9.7 |
18.6 |
16.2 |
4.8 |
14.0 |
16.0 |
19.0 |
22.4 |
|
TTMm84 |
8 |
1/4” |
29.8 |
14.2 |
18.6 |
16.2 |
6.3 |
14.0 |
16.0 |
23.4 |
22.4 |
|
TTMm104 |
10 |
1/4” |
33.5 |
14.2 |
19.5 |
17.2 |
7.1 |
17.0 |
19.0 |
28.2 |
25.9 |
|
TTMm106 |
10 |
3/8” |
33.5 |
14.2 |
19.5 |
17.2 |
7.9 |
17.0 |
19.0 |
28.2 |
25.9 |
|
TTMm126 |
12 |
3/8” |
36.0 |
14.2 |
22.0 |
22.8 |
9.5 |
20.5 |
22.0 |
28.2 |
25.9 |
|
TTMm128 |
1 |
1/2” |
36.0 |
19.0 |
22.0 |
22.80 |
9.50 |
22.0 |
22.0 |
33.0 |
25.9 |
|
TTMm168 |
16 |
1/2” |
38.8 |
19.0 |
22.0 |
24.4 |
12.7 |
24.0 |
25.0 |
35.8 |
28.7 |